21114 Fry Road
,
Saegertown, PA 16433
Phone:
(814) 763-2453
Toggle navigation
Home
Inventory
All Inventory In Stock
New Inventory In Stock
Used Inventory
Value Your Trade-In
Request a Model
Financing
Parts
Service
Service Department
Warranty & Recall Look-Up
About
Our Dealership
Reviews
Customer Survey
Events
Location & Hours
Brands
Manufacturer Models
OEM Promotions
KTM
Contact
Saegertown, PA
Fiche | Parts Diagrams
2013 KTM Motorcycles
Home
›
Shopping
›
Parts Finder
Search by :
Part / Desc
VIN
KTM
*Please enter at least 3 characters
SEARCH
Manufacturer
KTM
Motorcycles
2013
50 MINI ENGINE
VIEW WISH LIST
Select a Section
Show/Hide
CARBURETOR
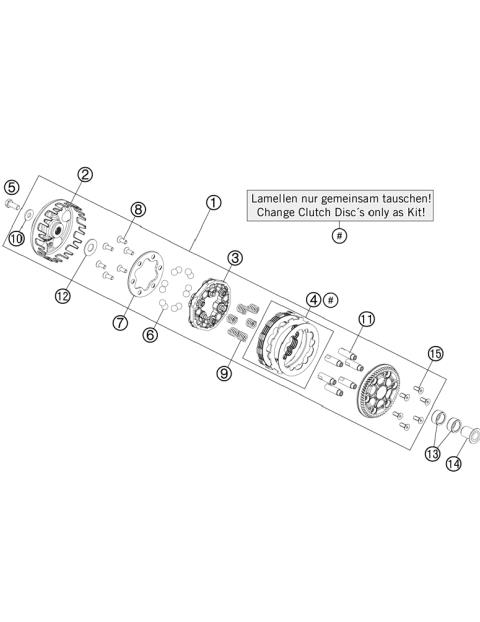
CLUTCH
CLUTCH COVER
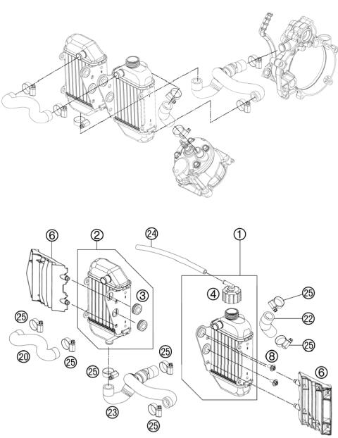
COOLING SYSTEM
CRANKSHAFT, PISTON
CYLINDER, CYLINDERHEAD
ENGINE CASE
IGNITION SYSTEM
KICK STARTER
LUBRICATING SYSTEM
REED VALVE CASE
TRANSMISSION
WATER PUMP
CARBURETOR
CLUTCH
CLUTCH COVER
COOLING SYSTEM
CRANKSHAFT, PISTON
CYLINDER, CYLINDERHEAD
ENGINE CASE
IGNITION SYSTEM
KICK STARTER
LUBRICATING SYSTEM
REED VALVE CASE
TRANSMISSION
WATER PUMP
VIEW WISH LIST