21114 Fry Road
,
Saegertown, PA 16433
Phone:
(814) 763-2453
Toggle navigation
Home
Inventory
All Inventory In Stock
New Inventory In Stock
Used Inventory
Value Your Trade-In
Request a Model
Financing
Parts
Service
Service Department
Warranty & Recall Look-Up
About
Our Dealership
Reviews
Customer Survey
Events
Location & Hours
Brands
Manufacturer Models
OEM Promotions
KTM
Contact
Saegertown, PA
Fiche | Parts Diagrams
2013 KTM Motorcycles
Home
›
Shopping
›
Parts Finder
Search by :
Part / Desc
VIN
KTM
*Please enter at least 3 characters
SEARCH
Manufacturer
KTM
Motorcycles
2013
300 XC ENGINE
VIEW WISH LIST
Select a Section
Show/Hide
CARBURETOR
CLUTCH
CLUTCH COVER
COOLING SYSTEM
CRANKSHAFT, PISTON
CYLINDER, CYLINDER HEAD
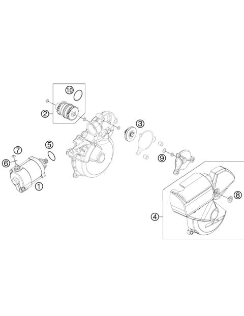
ELECTRIC STARTER
ENGINE CASE
EXHAUST CONTROL
IGNITION SYSTEM
KICK STARTER
REED VALVE CASE
SHIFTING MECHANISM
TRANSMISSION I – MAIN SHAFT
TRANSMISSION II – COUNTER SHAFT
CARBURETOR
CLUTCH
CLUTCH COVER
COOLING SYSTEM
CRANKSHAFT, PISTON
CYLINDER, CYLINDER HEAD
ELECTRIC STARTER
ENGINE CASE
EXHAUST CONTROL
IGNITION SYSTEM
KICK STARTER
REED VALVE CASE
SHIFTING MECHANISM
TRANSMISSION I – MAIN SHAFT
TRANSMISSION II – COUNTER SHAFT
VIEW WISH LIST