21114 Fry Road
,
Saegertown, PA 16433
Phone:
(814) 763-2453
Toggle navigation
Home
Inventory
All Inventory In Stock
New Inventory In Stock
Used Inventory
Value Your Trade-In
Request a Model
Financing
Parts
Service
Service Department
Warranty & Recall Look-Up
About
Our Dealership
Reviews
Customer Survey
Events
Location & Hours
Brands
Manufacturer Models
OEM Promotions
KTM
Contact
Saegertown, PA
Fiche | Parts Diagrams
2008 KTM Motorcycles
Home
›
Shopping
›
Parts Finder
Search by :
Part / Desc
VIN
KTM
*Please enter at least 3 characters
SEARCH
Manufacturer
KTM
Motorcycles
2008
990 ADVENTURE USA ENGINE
VIEW WISH LIST
Select a Section
Show/Hide
BALANCER SHAFT
CLUTCH
CLUTCH COVER
COOLING SYSTEM
CRANKSHAFT, PISTON
CYLINDER
CYLINDER HEAD FRONT
CYLINDER HEAD REAR
ELECTRIC STARTER
ENGINE CASE
IGNITION SYSTEM
LUBRICATING SYSTEM
SECONDARY AIR SYSTEM
SHIFTING MECHANISM
SPECIAL TOOLS
THROTTLE BODY
TIMING VALVE
TRANSMISSION I - MAIN SHAFT
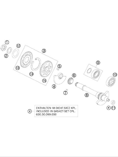
TRANSMISSION II - COUNTERSHAFT
VALVE DRIVE
WATER PUMP
BALANCER SHAFT
CLUTCH
CLUTCH COVER
COOLING SYSTEM
CRANKSHAFT, PISTON
CYLINDER
CYLINDER HEAD FRONT
CYLINDER HEAD REAR
ELECTRIC STARTER
ENGINE CASE
IGNITION SYSTEM
LUBRICATING SYSTEM
SECONDARY AIR SYSTEM
SHIFTING MECHANISM
SPECIAL TOOLS
THROTTLE BODY
TIMING VALVE
TRANSMISSION I - MAIN SHAFT
TRANSMISSION II - COUNTERSHAFT
VALVE DRIVE
WATER PUMP
VIEW WISH LIST